2026知到答案 模拟电子技术(湖北工程学院) 最新智慧树满分章节测试答案
绪论 单元测试
文章目录
1、单选题:
下列不属于模拟电子技术课程研究的主要内容是( )
选项:
A:模拟信号的预处理(滤波、放大等)
B:模拟信号的提取
C:将模拟信号转换为数字信号
D:模拟信号的运算、比较以及功率放大
答案: 【将模拟信号转换为数字信号】
2、单选题:
下列哪一位科学家没有参与发明晶体管( )
选项:
A:约翰 .巴顿
B:弗莱明
C:沃特.布拉顿
D:威廉.肖克利
答案: 【弗莱明】
第一章 单元测试
1、判断题:
对于电压放大电路来说,输出电阻越小,放大电路带负载能力越强。( )
选项:
A:错
B:对
答案: 【对】
2、单选题:
信号频谱分析的主要目的是( )
选项:
A:分解信号为不同频率分量
B:测量信号的相位
C:确定信号的幅度
D:计算信号的功率
答案: 【分解信号为不同频率分量】
3、单选题:
某放大电路在负载开路时的输出电压为4V,接入12kΩ的负载电阻后,输出电压降为3V,这说明放大电路的输出电阻为( )
选项:
A:3KΩ
B:10kΩ
C:4kΩ
D:2kΩ
答案: 【4kΩ】
4、单选题:
关于放大电路输入电阻Ri的描述,正确的是()
选项:
A:Ri仅由放大电路的静态工作点决定
B:Ri越大,放大电路从信号源获取的电流越大
C:Ri越小,信号源内阻压降越大
D:Ri与信号源内阻有关
答案: 【Ri越小,信号源内阻压降越大】
5、单选题:
一个放大电路的对数幅频特性如图所示。当信号频率恰好为上限频率或下限频率时,实际的电压增益为( )。
选项:
A:3dB
B:37dB
C:43dB
D:40dB
答案: 【37dB】
6、单选题:
因放大电路对不同频率信号成分的放大能力和相移能力不同而造成输出畸变的现象称为( )
选项:
A:交越失真
B:饱和失真
C:频率失真
D:截止失真
答案: 【频率失真】
7、判断题:
模拟信号的特点是信号在时间和幅度上均是连续的。( )
选项:
A:错
B:对
答案: 【对】
8、判断题:
对输入为电压信号的电路,输入电阻越大,信号源内阻上的电压损耗越小,输入电压越接近信号源电压。( )
选项:
A:错
B:对
答案: 【对】
9、判断题:
周期信号的频谱一定是离散谱。( )
选项:
A:对
B:错
答案: 【对】
10、判断题:
放大电路的通频带越宽,其对高频信号的放大能力越强。( )
选项:
A:错
B:对
答案: 【错】
第二章 单元测试
1、单选题:
运算放大器两输入端电位近似相等,称为( )
选项:
A:续短
B:续断
C:虚短
D:虚断
答案: 【虚短】
2、单选题:
欲将方波电压转换成双向尖脉冲波电压,应选用( )
选项:
A:RC定时电路
B:微分运算电路
C:差分运算电路
D:积分运算电路
答案: 【微分运算电路】
3、单选题:
若需要设计一个反相比例运算电路,要求比例系数为-10,则输入电阻R和反馈电阻Rf 应选择( )。
选项:
A:50KΩ和5MΩ
B:10KΩ和100KΩ
C:10Ω和1000Ω
D:1MΩ和11MΩ
答案: 【10KΩ和100KΩ】
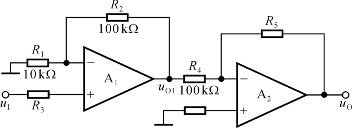
4、单选题:
电路如图所示,已知uo=55uI,其余参数如图中标注,试求出R5的值( )
选项:
A:500kΩ
B:50kΩ
C:100kΩ
D:1000kΩ
答案: 【500kΩ】
5、单选题:
理想运放构成的电压跟随器的特点是( )
选项:
A:增益为 −1
B:增益为 1,输入阻抗低
C:输出阻抗高
D:增益为 1,输入阻抗高
答案: 【增益为 1,输入阻抗高】
6、判断题:
某比例运算电路的输出始终只有半周波形,但器件是好的,这可能是运放的电源接法不正确引起的。( )
选项:
A:错
B:对
答案: 【对】
7、判断题:
共模信号都是直流信号,差模信号都是交流信号。( )
选项:
A:对
B:错
答案: 【错】
8、判断题:
反相求和电路中集成运放的反相输入端为虚地点,流过反馈电阻的电流等于各输入电流的代数和。( )
选项:
A:错
B:对
答案: 【对】
9、判断题:
理想运放的开环增益为无穷大。( )
选项:
A:错
B:对
答案: 【对】
10、判断题:
积分电路中,若输入信号为直流电压,输出电压将随时间线性增长直至饱和。( )
选项:
A:对
B:错
答案: 【对】
